Csúszókerék szorítóval UNITRAILER 150kg 48mm 505-730mm
- A szorítóval ellátott tapadókerék-készlet stabil tartást biztosít parkoláskor, megkönnyíti a manőverezést, és lehetővé teszi a pótkocsi gyors csatlakoztatását és leválasztását a vonóhorogról. A 150 kg-os teherbírású tapadókerék tartósságot és biztonságos
A csomag tartalmazza




Csúszókerék szorítóval UNITRAILER 150kg 48mm 505-730mm
Egy komplett UNITRAILER szett, amely tartalmaz egy masszív tapogatókereket, egy erre a célra szolgáló bilincset és a szükséges rögzítőelemeket, biztosítva a pótkocsi stabil és biztonságos rögzítését parkolás, manőverezés és a vonóhoroghoz való csatlakoztatás közben.
A készlet tartalma:
- 1x támasztókerék JW48UTZ
- 1x bilincs (szorító) a JWC48UTZ nyomókerékhez
- 2 db M10x25-ös csavar
- 2x önzáró anya M10
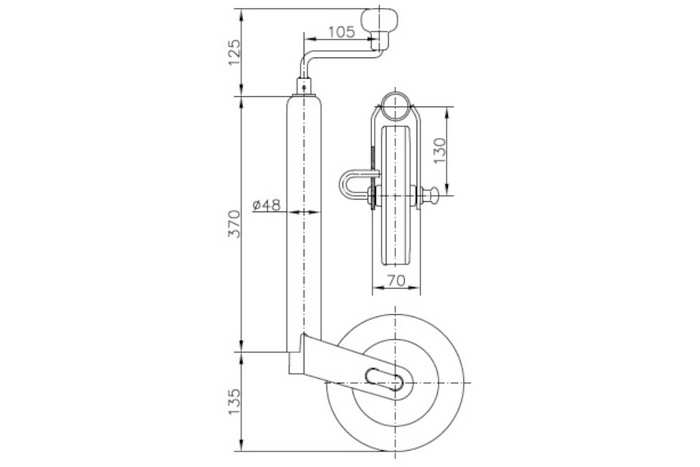
A támkerék 48 mm átmérőjű , 370 mm hosszú csővel van felszerelve, ami szilárd és stabil szerkezetet biztosít. A cső teljes magassága a kerékkel együtt 505 mm , ami lehetővé teszi a kényelmes beállítást a különböző vonórúdmagasságokhoz.
A 48 mm-es csőátmérőjű bilincs stabil és biztonságos rögzítést biztosít a pótkocsi vonórúdjához. A bilincs 131 mm hosszú és 66 mm széles , így megfelelő szorítófelületet és szilárd csőrögzítést biztosít. Két 10,5 mm átmérőjű, egymástól 105 mm távolságra elhelyezkedő rögzítőfurattal van felszerelve, ami lehetővé teszi a könnyű és pontos felszerelést a pótkocsi szerkezetére.

Megengedett terhelés
A megengedett terhelés parkoláskor 150 kg , amely stabil támasztást biztosít a pótkocsinak be- és kirakodás, valamint parkolás közben. Manőverezés közben a maximális terhelés 90 kg , amely biztosítja a pótkocsi biztonságos gördülését és pozicionálását a mechanizmus túlterhelésének kockázata nélkül. Ezen határértékek megfelelő betartása biztosítja a termék tartósságát és biztonságos működését.

Kihúzási hossz
A tapogatókerék toldásának hossza 2205 mm , ami megfelelő tartományt biztosít a vonórúd magasságának állításához. A tapogatókerék magassága a kerékkel együtt 505 mm, a toldással együtt a maximális magasság eléri a 730 mm-t . Ez a tartomány lehetővé teszi a pótkocsi kényelmes beállítását a különböző talajviszonyokhoz, és megkönnyíti a vonórúdra való csatlakoztatást és leválasztást. A megfelelő toldástartomány növeli a kényelmet és a stabilitást parkolás közben.

Kerék típusa
A 200 x 50 mm-es kerék tömör gumiabronccsal van felszerelve, amely kiküszöböli a defekttűrés kockázatát és nagyfokú tartósságot biztosít használat közben. Az acél felni megerősíti a szerkezetet, növeli az ellenállást a terheléssel és a mechanikai sérülésekkel szemben, biztosítva a stabil és megbízható működést különböző üzemi körülmények között.

Forgattyús tengely axiális csapággyal
A hajtókar axiális csapággyal van felszerelve, ami jelentősen javítja a kényelmet. A csapágy csökkenti a súrlódást működés közben, ami simább és könnyebb hajtókarmozgást eredményez. Ez azt jelenti, hogy a támasztókerék emelése és süllyesztése kevesebb erőt igényel, és kényelmesebb, még nagy terhelés alatt is.

Korrózióvédelem
A támasztókerék és a bilincs elektrogalvanizált acélból készült, amely hatékony védelmet nyújt a korrózió ellen, és hosszú élettartamot biztosít még intenzív kültéri használat esetén is. A cinkbevonat megvédi az acél alkatrészeket a nedvességtől, az útsótól és a változó időjárási viszonyoktól, növelve a teljes szerkezet tartósságát és ellenálló képességét a sérülésekkel szemben.
A támasztókerék és bilincs készlet egy praktikus és megbízható megoldás , amely stabilizálja az utánfutót parkolás közben, valamint megkönnyíti a manőverezést és a gördítést az udvaron, kocsifelhajtón, kempingben vagy műhelyben. Lehetővé teszi az utánfutó kényelmes csatlakoztatását és leválasztását a vonóhorogról, valamint a pontos pozicionálást. A támasztókerék stabilizálja az utánfutót, de nem teherrel együtt történő emelésére szolgál. A bilincs azonban kulcsfontosságú rögzítőelem, amely biztosítja a cső stabil és biztonságos rögzítését a vonóhoroghoz, valamint annak biztonságos elhelyezését. Ez a kombináció növeli a szállító-, hajó- és lakókocsi-utánfutók kényelmét és biztonságát, biztosítva a szerkezet tartósságát és szilárdságát. Biztonsági okokból minden út előtt ellenőrizze a kar nyomását és a támasztókerék cső állapotát.
Bármelyik termékünk megvásárlásakor 2 év garanciát kap. Ez azt jelenti, hogy anélkül használhatja, hogy aggódnia kellene egy esetleges meghibásodás következményei miatt. Az Ön elégedettségének biztosítása érdekében a panasztételi folyamatot a lehető legegyszerűbbé tettük – egyszerűen töltse ki és küldje el a weboldalunkon elérhető űrlapot.
Kérdése van termékeink kiválasztásával vagy használatával kapcsolatban?? Kapcsolatfelvétel! Az Unitrailer szakemberei szívesen adnak Önnek minden szükséges információt.

























