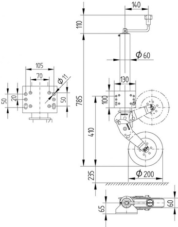
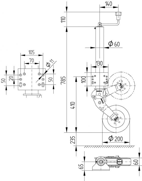
KNOTT ATK60 automata jockey kerék fogantyúval 250kg 60mm 785-1020mm
- Az ATK60 automata támasztókerék 60 mm átmérőjű csővel és 250 kg maximális teherbírással stabil támasztást biztosít parkoláskor. Megkönnyíti a manőverezést, a csatlakoztatást és a leválasztást, növelve a kényelmet és a biztonságot.
KNOTT ATK60 automata jockey kerék fogantyúval 250kg 60mm 785-1020mm
A KNOTT ATK60 támkerék 60 mm átmérőjű csővel és 785 mm teljes hosszúsággal rendelkezik, beleértve a kereket is , ami szilárd, stabil szerkezetet és kényelmes kezelést biztosít még magasabb vonórúddal is.
A termék gyárilag hegesztett, 130 x 100 mm-es rögzítőkonzollal rendelkezik, 11 mm átmérőjű rögzítőfuratokkal. Ez a megoldás szükségtelenné teszi a további bilincs használatát, leegyszerűsíti a telepítést és növeli a teljes csatlakozás tartósságát.

Megengedett terhelés
A megengedett terhelés parkoláskor 250 kg , amely stabil és biztonságos tartást biztosít a pótkocsinak be- és kirakodás, valamint hosszabb állásidő alatt . A megfelelően megválasztott teherbírás biztosítja a vonórúd megbízható alátámasztását, csökkenti a felborulás kockázatát, és javítja a kényelmet a pótkocsi körüli munkavégzés során. A maximális terhelési értékek betartása kulcsfontosságú a mechanizmus tartósságának megőrzése, a szerkezeti elemek túlterhelés elleni védelme, valamint a termék hosszú és problémamentes működésének biztosítása érdekében.

Kihúzási hossz
A tapogatókerék toldása 235 mm , ami megfelelő tartományt biztosít a vonórúd magasságának állításához. A magasság kinyújtott kerékkel 785 mm, a maximális magasság toldással pedig eléri a 1020 mm-t . Ez a tartomány lehetővé teszi a pótkocsi kényelmes beállítását a különböző talajviszonyokhoz, és megkönnyíti a vonórúdra való csatlakoztatást és leválasztást. A megfelelő toldástartomány növeli a kényelmet és a stabilitást parkolás közben.

Teljesen automata kerék
A támasztókerék teljesen automatikus emelőmechanizmussal van felszerelve, amely lehetővé teszi a kerék gyors és kényelmes szállítási helyzetbe billentését manuális rögzítés nélkül. Ezenkívül egy teljesen automatikus támasztólábbal is rendelkezik, amely szilárdan a talajon nyugszik, növelve a pótkocsi használatának kényelmét és biztonságát parkolás közben.

Kerék típusa
A 200 x 60 mm-es kerék tömör gumiabronccsal van felszerelve, amely kiküszöböli a defekttűrés kockázatát és nagyfokú tartósságot biztosít használat közben. Az acél felni megerősíti a szerkezetet, növeli az ellenállást a terheléssel és a mechanikai sérülésekkel szemben, biztosítva a stabil és megbízható működést különböző üzemi körülmények között.

Forgattyús tengely axiális csapággyal
A hajtókar axiális csapággyal van felszerelve, ami jelentősen javítja a kényelmet. A csapágy csökkenti a súrlódást működés közben, ami simább és könnyebb hajtókarmozgást eredményez. Ez azt jelenti, hogy a támasztókerék emelése és süllyesztése kevesebb erőt igényel, és kényelmesebb, még nagy terhelés alatt is.

Korrózióvédelem
A kerék elektrogalvanizált acélból készült, amely hatékony védelmet nyújt a korrózió ellen, és hosszú élettartamot biztosít, még intenzív kültéri használat esetén is. A cinkbevonat védi az acél alkatrészeket a nedvességtől, az útsótól és a változó időjárási viszonyoktól, növelve a szerkezet tartósságát és ellenálló képességét a sérülésekkel szemben.
A tapogatókerék egy praktikus utánfutó-kiegészítő, amely stabilizálja az utánfutót parkolás közben , és megkönnyíti az utánfutó manőverezését és gurítását az udvaron, kocsifelhajtón vagy kempingben. Lehetővé teszi az utánfutó kényelmes csatlakoztatását és leválasztását a vonóhorogról, valamint a pontos pozicionálást. A tapogatókerekek az utánfutó stabilizálására szolgálnak – nem arra szolgálnak, hogy megrakott utánfutót emeljenek . Ideális megoldást jelentenek teherutánfutókhoz, hajóutánfutókhoz és lakókocsikhoz , növelve a kényelmet és a biztonságot.
Bármelyik termékünk megvásárlásakor 2 év garanciát kap. Ez azt jelenti, hogy anélkül használhatja, hogy aggódnia kellene egy esetleges meghibásodás következményei miatt. Az Ön elégedettségének biztosítása érdekében a panasztételi folyamatot a lehető legegyszerűbbé tettük – egyszerűen töltse ki és küldje el a weboldalunkon elérhető űrlapot.
Kérdése van termékeink kiválasztásával vagy használatával kapcsolatban?? Kapcsolatfelvétel! Az Unitrailer szakemberei szívesen adnak Önnek minden szükséges információt.












