AL-KO LM 11749/710 kúpgörgős csapágy, kicsi, 750 kg
- Az AL-KO LM 11749/710 kisméretű kúpgörgős csapágy teherbírása 750 kg. Ideális kis és közepes teherbírású pótkocsikhoz, amelyek dinamikus működéshez megbízható csapágyat igényelnek.
AL-KO LM 11749/710 kúpgörgős csapágy, kicsi, 750 kg
Az AL-KO LM710 kis kúpgörgős csapágy 750 kg teherbírással egy speciális alkatrész, amelyet elsősorban pótkocsikban használnak, és kialakítása és specifikációi nagy hatékonyságot és megbízhatóságot biztosítanak különböző útviszonyok között.
A kúpgörgős csapágyakat az jellemzi, hogy képesek egy irányban felvenni a radiális és axiális terheléseket, így ideálisak pótkocsikerekekben való használatra, ahol ez a terheléskombináció gyakori. Kiváló minőségű anyagokból készülnek, ami hosszú élettartamot és minimális meghibásodási kockázatot biztosít.
Ideális könnyű és közepes teherbírású utánfutókhoz, beleértve a lakókocsikat, munkagép-utánfutókat és egyéb szabadidős és haszongépjárműveket, amelyek megbízható csapágyazást igényelnek dinamikus körülmények között.
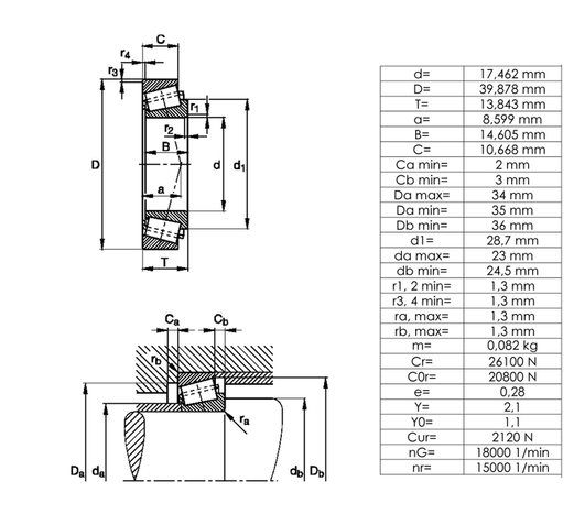
Csapágyméretek:
- Külső átmérő: 39,88 mm
- Belső átmérő: 17,46 mm
- Magasság: 13,84 mm
Bármelyik termékünk megvásárlásakor 2 év garanciát kap. Ez azt jelenti, hogy anélkül használhatja, hogy aggódnia kellene egy esetleges meghibásodás következményei miatt. Az Ön elégedettségének biztosítása érdekében a panasztételi folyamatot a lehető legegyszerűbbé tettük – egyszerűen töltse ki és küldje el a weboldalunkon elérhető űrlapot.
Kérdése van termékeink kiválasztásával vagy használatával kapcsolatban?? Kapcsolatfelvétel! Az Unitrailer szakemberei szívesen adnak Önnek minden szükséges információt.
















